1985 Ford Wiring Diagram

Download 1985 Ford Wiring Diagram
PNG
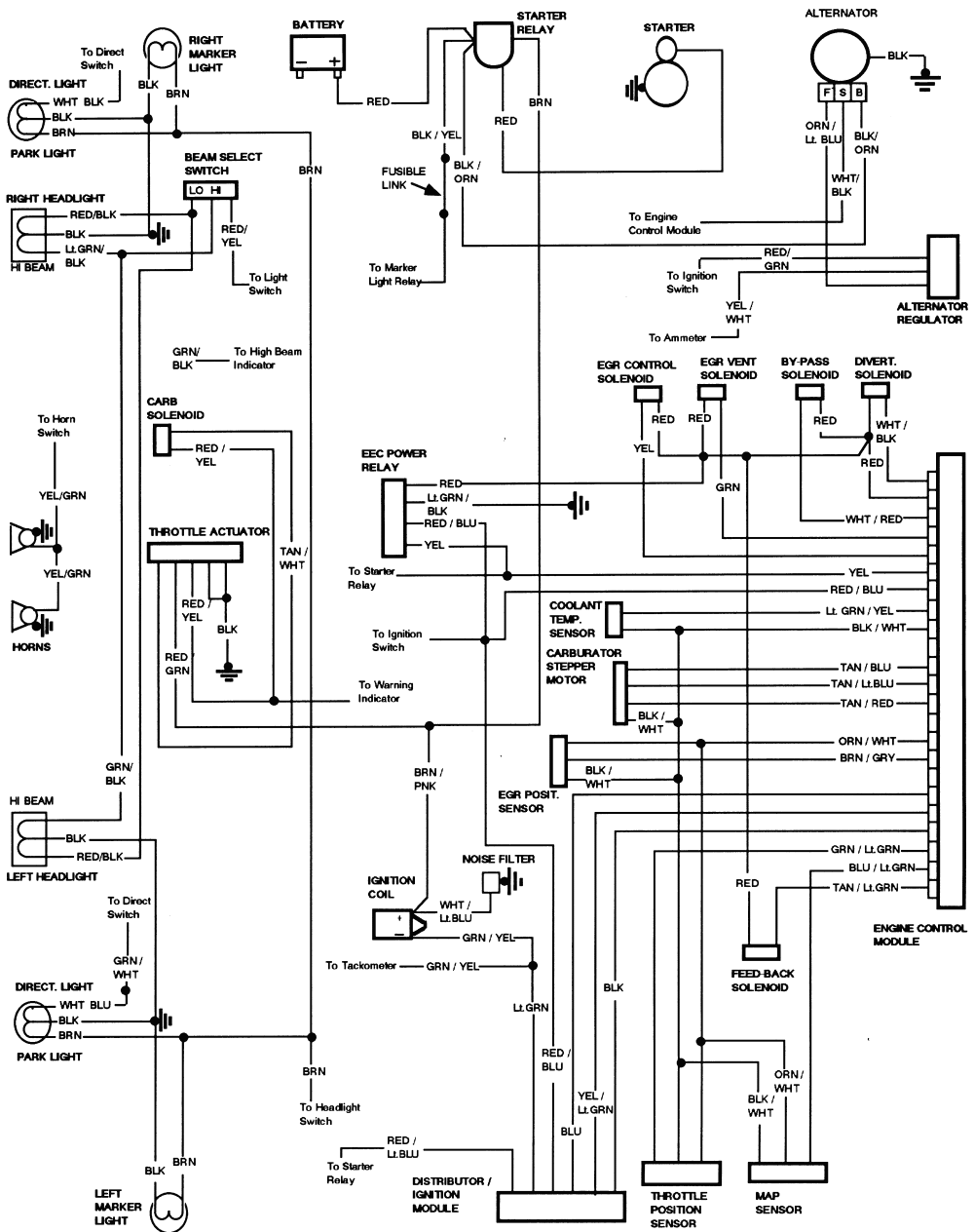
. Repair of driving axles ford. You can find a 1985 ford f 600 wiring diagram in most ford service manuals.

I need the electrical wiring diagram for a 1985 Ford ...
I need the electrical wiring diagram for a 1985 Ford ... from www.justanswer.com
Circuit and wiring diagram download: How are you doing looking for what brackets go to power stering and alt and how are they mounted on my ford f350 with a 460 under the hood the year is 85 looking for a pic. This is from a 1985 ford f350 with the 6.9l diesel engine.

I have a 1985 ford ranger that i am trying to install a cd player but i dont know what wires are which from the factory.

You can find a 1985 ford f 600 wiring diagram in most ford service manuals. If starter spins but doesn't engage, it is a bad starter drive located on the shaft of your starter. Power is supplied to two circuits (wires). 1967 ford mustang instrument panel 256 kb.


Belum ada Komentar untuk "1985 Ford Wiring Diagram"

Posting Komentar

Iklan Atas Artikel

Iklan Tengah Artikel 1

Iklan Tengah Artikel 2

Iklan Bawah Artikel