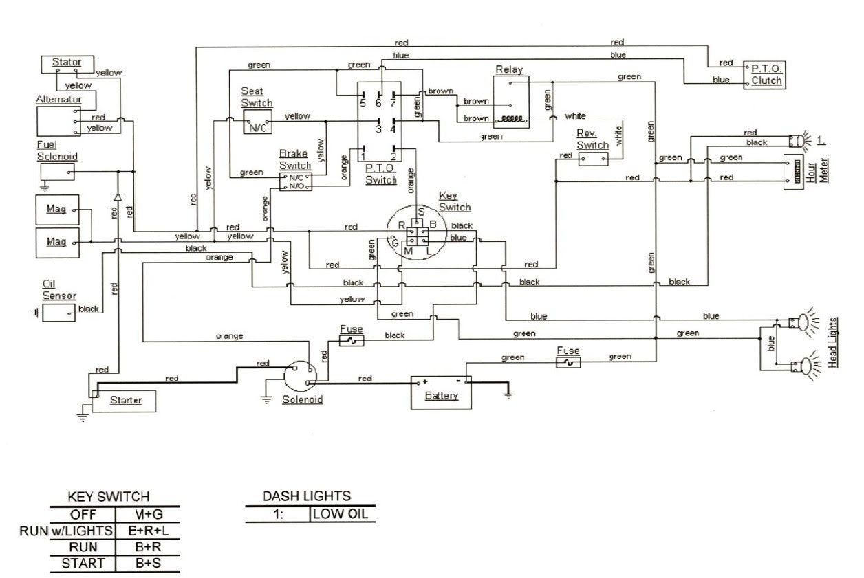
Cub Cadet 3000 Series Tractors Wiring Diagrams

38+ Cub Cadet 3000 Series Tractors Wiring Diagrams PNG. View and download cub cadet 3000 series service manual online. In addition to these cub cadet spec sheets, you can also view a number of cub cadet manuals for some cub cadet garden tractor wiring schematics.

60 Lovely Wiring Diagram for 1050 Cub Cadet Images | Wsmce.Org
60 Lovely Wiring Diagram for 1050 Cub Cadet Images | Wsmce.Org from wsmce.org
The cub cadet brand began as international harvester's garden tractor line, which was sold to mtd in 1981. This is the service & repair manual for 2004 2005 2006 cub cadet rzt series zero turn lawn & garden tractor mowersthis manual covers. To view the parts diagram, please login or sign up.

This is the service & repair manual for 2004 2005 2006 cub cadet rzt series zero turn lawn & garden tractor mowersthis manual covers.

These materials are intended to provide supplemental information to assist the trained. I have a problem with the starter relay i think! Cub cadet 2000 series tractor servi. These materials are intended to provide supplemental information to assist the trained.


Belum ada Komentar untuk "Cub Cadet 3000 Series Tractors Wiring Diagrams"

Posting Komentar

Iklan Atas Artikel

Iklan Tengah Artikel 1

Iklan Tengah Artikel 2

Iklan Bawah Artikel